Ingeniero superior buscando desaf铆os

Apasionado por la ingenier铆a.

Soluciones energ茅ticas

C谩lculo de cargas y cimentaciones con CYPECAD
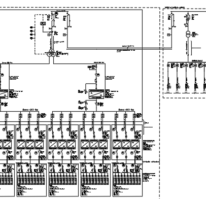
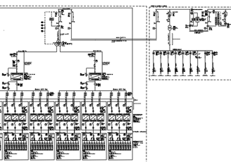
Parque de almacenamiento de 20000kWh
Hibridaciones almacenamiento + FV, an谩lisis GIS, afecciones, licitaci贸n
C谩lculo de apoyo el茅ctrico
C谩lculo magn茅tico de centros de trasnformaci贸n con CRMAG
Hibridaciones almacenamiento + FV
Estudio de prefactibilidad, licitaci贸n y tr谩mite de proyectos
Optimizaci贸n con PV case, PV Syst, Skelion
Autoconsumos industriales (1,5-150 MW)
Ofertas y propuestas para licitaciones privadas y p煤blicas
Simulaciones realistas de las instalaciones para EIP con Arcmap, ArcGis, y Unreal Engine
Estudio de impacto paisaj铆stico (Suelo no urbanizable)

Dise帽o y fabricaci贸n de cubiertas met谩licas

Dise帽o y fabricaci贸n maquinaria agr铆cola con SolidWorks

Dise帽o y fabricaci贸n de partes de automoci贸n

Electr贸nica, prototipado e impresi贸n 3D